创建时间:2026-04-10
工业自动化领域,温度控制的精度往往直接决定了产品的良率与设备的安全。
而在众多测温元件中,铂电阻温度传感器因其出色的线性度和稳定性,成为工程师的首选。特别是三线制铂电阻,它在接线便捷性与测量精度之间找到了完美的平衡点。
为什么工业控温系统偏爱“三线制”?
在工业现场,传感器与显示仪表或PLC(可编程逻辑控制器)之间往往存在较长的距离。普通的二线制接线虽然简单,但导线电阻本身会叠加在传感器电阻上,导致测量误差。
IST三线制铂电阻的设计初衷正是为了解决这一痛点。
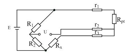
在铂电阻的根部,一端连接一根引线,另一端连接两根引线。这三根导线(通常要求材质、截面积和长度相同)分别接入电桥的两个桥臂和电源端。
当环境温度变化导致导线电阻改变时,由于桥臂电阻同步变化,电桥平衡被破坏的程度仅取决于传感器本身的电阻变化,从而抵消了引线电阻的影响。
这种接线方式是工业过程控制中的主流选择,因为它兼顾了二线制的简洁和四线制的高精度(四线制通常用于实验室计量),能在复杂的工业电磁环境和温度波动下提供稳定可靠的测量数据。

▲铂电阻传感器三线制连接图
IST三线制铂电阻:精度与稳定的技术支撑
宽温区与高精度并存
IST的铂薄膜RTD温度传感器覆盖-200°C至+1000°C的宽工作温度范围点击查看。其核心材料采用3850 ppm/K的标准TCR,精度严格符合IEC 60751规范。

▲IST的铂薄膜RTD温度传感
这意味着无论是深冷环境还是高温过程,IST传感器都能提供符合国际标准的准确数据。特别是其600°C系列,在最大操作温度下运行1000小时后,变化率低于0.04%,这种长期稳定性对于需要连续运转的工业控温系统至关重要。
▲IST的铂薄膜RTD温度传感
低自热与快速响应
传感器工作时,激励电流通过元件会产生自热效应,从而引入额外误差。IST传感器通过优化设计实现了低自热特性,确保在精密测量中不会因自身发热影响结果。
同时,其薄膜工艺使得传感器尺寸极小(最小尺寸仅1.6mm x 1.2mm),降低了热质量,从而实现了更快的热响应时间,能够及时捕捉工业过程中的温度波动。

▲IST的铂薄膜工艺
环境适应性与灵活配置
工业控温现场往往伴随着振动、潮湿或电磁干扰。IST铂电阻结构极为坚固,具有优异的抗振动和抗温度冲击能力。
针对三线制铂电阻的应用需求,IST可提供多种配置选项,包括3线式、2线式、4线式连接方式,工程师可根据现场仪表的接口类型和精度要求灵活选择。

▲IST的铂薄膜RTD温度传感特点
基于产品特性的接线实务与误差控制
在实际部署IST三线制铂电阻时,工程师需留意以下操作细节,以确保精度“不打折扣”:
导线的选配
虽然三线制能抵消引线电阻,但其前提是三根导线的电阻相等。因此,在延长线施工中,必须使用相同规格(材质、线径、长度)的铜导线,不能随意混用。
连接端的识别
IST铂电阻通常引出三根线(可用颜色标记区分,如红/白/白或红/黄/黄)。
其中一根线(通常是红色)接至变送器或仪表的电流源正极(I+),另外两根线(同为白色或黄色)分别接至电流负极(I-)和电压检测正极(V+),仪表内部已将I-和V-短接。
自身热效应
测量电流流经铂电阻时会产生自热,导致轻微温升。对于Pt100传感器,推荐激励电流为1mA;而对于Pt1000,则建议使用0.3mA,以平衡信号强度与自热误差。
环境适应性
IST传感器采用薄膜技术,结构坚固,适用于恶劣工况。在控温系统中,传感器通常置于不锈钢保护套管中,既保护了敏感元件,又便于维护更换。
IST三线制铂电阻的典型应用场景
结合IST公司的主营业务及文档中的用户画像(硬件工程师、设备工程师),三线制铂电阻在以下工业场景中表现尤为出色:
暖通空调与环境监测
在暖通系统&空调应用中,铂电阻作为环境监测系统的“感知末梢”,负责将温湿度数据实时回传至楼宇自控系统。IST产品的响应时间短和抗腐蚀性能有效应对各种通风管道环境。
电动汽车与燃料电池
IST的铂薄膜传感器被嵌入电池包、电机控制器中,利用其高精度(如0.1℃分辨率)和快速响应特性,通过BMS系统实现对热失控的早期预警。

▲IST用于车辆的坚固传感器
医疗与实验室设备
在呼吸机、麻醉机或实验室恒温槽中,传感器不仅要精准,还需符合生物相容性要求。IST的传感器以其低漂移特性,保障了医疗过程的安全性。
在工业控温系统中,IST三线制铂电阻之所以能成为众多设备工程师的首选,不仅在于其三线制接法本身对引线电阻的精密抵消机制,更在于瑞士IST AG超过30年的材料工艺积累。
从-200℃的深冷环境到600℃的高温制程,IST提供的不仅仅是电阻值的变化,更是长期稳定、值得信赖的温度数据。